Typové příklady zapojení měničů frekvence TECO a uživatelský manuál ke stažení Typová řada E2
Po kliknutí na nadpis kapitoly se Vám otevře v novém okně prohlížeče požadované schéma.
Jsou uvedeny příklady zapojení měničů frekvence typové řady E2. S předepsanými vstupními filtry splňují měniče požadavky na elektromagnetické vyzařování dle ČSN EN 55011 a požadavky na elektromagnetickou odolnost dle ČSN EN 55082-2. Dále splňují měniče požadavky na elektrickou bezpečnost dle ČSN EN 50178.
Všechny uvedené příklady představují principiální zapojení, která je třeba upravit podle oblasti nasazení měniče tak, aby byly splněny příslušné oborové normy.
Zapojení číslo 1
Základní zapojení.
Ochrana proti nadproudu a přetížení měniče je provedena pomocí jističe FS1.
Měnič se připojuje k napájecí síti pomocí spínače QM1.
Řízení frekvence se provádí pomocí externího potenciometru RP1.
U zapojení jsou splněny požadavky normy ČSN EN 55011 pro třídu odrušení A, odrušovací filtr je součástí měniče.
Zapojení číslo 2
Připojování k napájecí síti se provádí pomocí stykače KM1, který je ovládán pomocí tlačítek SB1 a SB2.
Řízení frekvence se provádí pomocí externího potenciometru RP1, pomocný odpor Rx1 se používá v případech, kdy je nastavena dolní mez frekvence a je třeba využít plně odporovou dráhu potenciometru.
K indikaci frekvence se používá číslicový pomocný displej (voltmetr) se rozsahem 0 – 10 V DC. Pomocí vhodného děliče je možné dosažení souhlasu údaje displeje s údajem na ovládacím panelu. Je možno zobrazit frekvenci nebo otáčky. Propojení měniče a motoru mse doporučuje stíněným kabelem.
Zapojení číslo 3
Podobné zapojení jako zapojení 2, je použit vnější brzdný odpor a odrušovací filtr pro odrušení třídy B, dle ČSN EN 55011.
Přídavný odrušovací filtr pro odrušení třídy B lze použít u všech typů měničů řady E2.
Propojení měniče a motoru se doporučuje stíněným kabelem.
Zapojení číslo 4
Zapojení vychází z předchozích zapojení 2 a 3.
Při ovládání měniče se využívá vnější zdroj + 24 V DC.
Je použit přídavný odrušovací filtr F. S použitím tohoto filtru jsou splněny požadavky normy ČSN EN 55011, třída odrušení B.
Propojení měniče a motoru se doporučuje stíněným kabelem.
Zapojení číslo 5
Příklad zapojení měničů, kdy na výstupu jsou zapojeny dva motory.
Dle požadavku normy ČSN EN 60 207 ( článek 7.3) musí být při výkonu dílčích motorů větších nebo rovných 0.5 kW, použita u každého motoru tepelná ochrana.
Zapojení číslo 6
Příklad zapojení, kdy je měnič ovládán z řídícího automatu PLC nebo z jiného nadřazeného řídícího systému.
Na výstupní desce řídícího systému jsou použity tranzistory typu PNP.
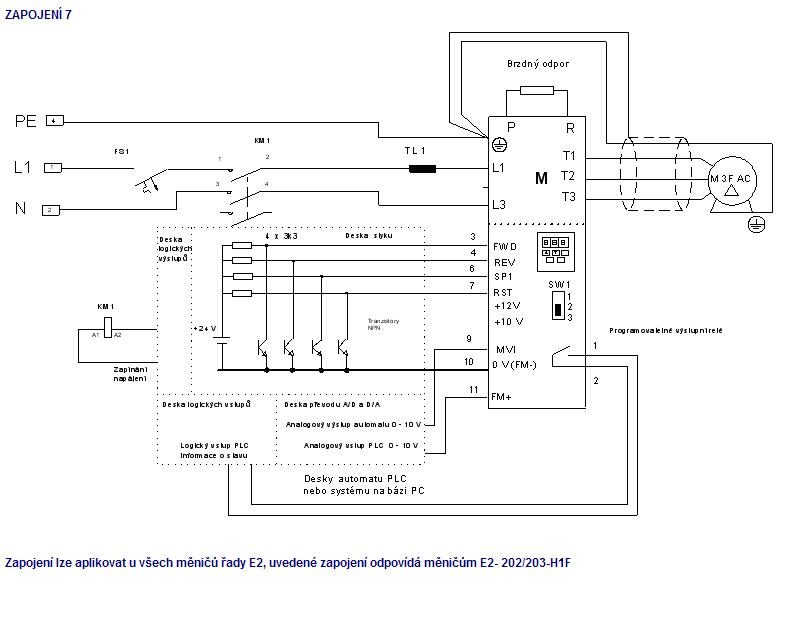
Zapojení číslo 7
Příklad zapojení, kdy je měnič ovládán z řídícího automatu PLC nebo z jiného nadřazeného řídícího systému například na bázi PC.
Na výstupní desce řídícího systému jsou použity tranzistory typu NPN.
Všechny funkce měniče, včetně zapnutí jsou odvozeny z řídícího systému.
Zapojení číslo 8
Zapojení měničů řady E2 s třífázovým vstupem 3 x 400 V.
Připojování k napájecí síti se provádí pomocí stykače KM1, který je ovládán pomocí tlačítek SB1 a SB2.
Řízení frekvence se provádí pomocí externího potenciometru RP1.
Součástí měniče je vstupní filtr a jsou splněny požadavky normy ČSN EN 55011, třída odrušení A.
Propojení měniče a motoru se doporučuje stíněným kabelem.
Typové příklady zapojení měničů frekvence TECO a uživatelský manuál ke stažení Typová řada CV
Po kliknutí na nadpis kapitoly se Vám otevře v novém okně prohlížeče požadované schéma.
Jsou uvedeny příklady zapojení měničů frekvence typové řady CV. S předepsanými vstupními filtry splňují měniče požadavky na elektromagnetické vyzařování dle ČSN EN 55011 a požadavky na elektromagnetickou odolnost dle ČSN EN 55082-2. Dále splňují měniče požadavky na elektrickou bezpečnost dle ČSN EN 50178.
Všechny uvedené příklady představují principiální zapojení, která je třeba upravit podle oblasti nasazení měniče tak, aby byly splněny příslušné oborové normy.
Zapojení 1
Základní zapojení měniče s jednofázovým napájením 230V. Jištění je provedeno jističem FS1, měnič se připojuje pomocí stykače KM1. Součástí měniče je odrušovací filtr, který zajišťuje odrušení ve třídě A dle ČSN EN 55011.
Zapojení 2
Základní zapojení měniče s třífázovým napájením 3 x 400V. Jištění je provedeno pomocí jističe FS1, připojování měniče k napájecí síti je pomocí stykače KM1. Ovládací obvod stykače je galvanicky oddělen od napájecí části. Řízení frekvence je pomocí analogového napětí na vstupu AIN, nebo předvolené frekvence, vstupy S3 a S4. Předvolené frekvence mají prioritu.
Zapojení 3
Zapojení pro řízení pojezdu mostového jeřábu. Na výstupu měniče jsou zapojeny dva motory. Řízení frekvence je pomocí multifunkčních vstupů S3 až S5.
Zapojení 4
Příklad zapojení frekvenčního měniče při řízení pomocí multifunkčních vstupů S1 až S6 z programovatelného automatu PLC. Spínací tranzistory NPN.
Zapojení 5
Příklad zapojení frekvenčního měniče při řízení pomocí multifunkčních vstupů S1 až S6 z programovatelného automatu PLC. Spínací tranzistory PNP.
Zapojení 6
Zapojení frekvenčního měniče pro řízení pojezdu při přesném navedení obrobku s využitím funkce MOTORPOTENCIOMETR.
Zapojení 7
Příklad zapojení měniče frekvence při řízení impulsním signálem, například z inkrementálního čidla IRC.. Impulsní signál je možno přivést pouze na vstup S5.
Zapojení 8
Příklad využití vnitřního PID regulátoru. Žádaná hodnota se zadává pomocí externího potenciometru na vstupu AIN. Okamžitá hodnota signálu odpovídající regulované veličině se přivádí na vstup S6. Aktivace regulátoru se provádí pomocí multifunkčního vstupu S1. Rozsáhlý soubor parametrů dovoluje konfigurovat PID regulátory vhodné pro řízení složitých typů regulovaných soustav.
Zapojení 9
Příklad použití frekvenčního měniče pro řízení míchacího stroje. K měniči je připojena externí brzdná jednotka a brzdný odpor.
Zapojení 10
Příklad použití frekvenčního měniče pro řízení zhutňovacího vibrátoru. Použití například pro zhutňování specielních tvárnic nebo materiálu při výrobě brusných kotoučů velkého průměru.
Odrušovací filtry
Měniče do výkonu 11kW včetně obsahují EMI filtry, které zaručují odrušení ve třídě A dle ČSN EN 55011. Od 15kW se používají externí filtry. Při použití v bytovém a obchodním prostředí je třeba použit externí filtr třídy B dle ČSN EN 55022.
Nárazové tlumivky
Aplikovat tlumivku se doporučuje pokud je měnič instalován v blízkosti napájecího transformátoru VN/NN, nebo v průmyslovém prostředí kde se používají přímo vypínané motory s výkonem nad 100kW. Tlumivky snižují obsah harmonických v napájecí síti a proto je jejich použití nutné tam, kde se požaduje harmonické zkreslení sítě pod 8%.
Brzdné odpory
Brzdné odpory se připojují k měničům s výkonem do 15kW. Pro vyšší výkony je zapotřebí použít externí brzdnou jednotku. K této jednotce se připojuje odpovídající brzdný odpor.

